
Um flip-flop JK é um circuito digital usado para armazenar um bit de dados.É um alicerce principal em contadores, unidades de memória e sistemas de controle.Como outros flip-flops, ele muda de estado com base em um relógio (CLK) sinal, que determina quando a saída é atualizada.O flip-flop JK melhora o mais simples Trava SR eliminando seu estado inválido.Ele usa duas entradas, J. e Ke uma entrada de relógio.Os sinais J e K controlam se a saída P é definido, redefinido, mantido ou alternado.O nome JK não descreve o que as entradas fazem; foi escolhido para distinguir este design dos anteriores.A maioria das fontes atribui o nome a Jack Kilby, que desenvolveu o conceito de circuito.
O flip-flop JK só muda sua saída quando o clock está ativo.Seu comportamento depende da combinação dos valores J e K:
|
CLK |
J. |
K |
Próximo
P |
Operação |
|
0 |
X |
X |
P |
Sem alteração |
|
1 |
0 |
0 |
P |
Esperar (memória) |
|
1 |
1 |
0 |
1 |
Definir |
|
1 |
0 |
1 |
0 |
Reiniciar |
|
1 |
1 |
1 |
Q̅ |
Alternar |
• Definir: Quando J = 1 e K = 0, a saída torna-se 1.
• Reset: Quando J = 0 e K = 1, a saída torna-se 0.
• Hold: Quando J = K = 0, a saída permanece a mesma.
• Alternar: Quando J = K = 1, a saída muda para o estado oposto.

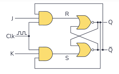
Figura 2. Flip-flop JK construído usando portas NAND e uma trava SR (Set-Reset)
A capacidade de alternância do flip-flop JK o torna especialmente útil para contagem binária e divisão de frequência.É construído a partir de portas lógicas, normalmente Portas NAND ou NOR, dispostos em torno de um básico Trava SR.As saídas realimentam as portas de entrada, permitindo que o circuito alterne quando J e K estão altos, o que torna o flip-flop JK mais flexível do que a trava SR.No entanto, em um flip-flop JK acionado por nível, se o clock permanecer alto enquanto J e K forem 1, a saída poderá alternar rapidamente entre 0 e 1 antes que o clock caia.Essa oscilação indesejada é conhecida como problema de corrida.

Figura 3. Símbolos do flip-flop JK
O flip-flop JK tem duas entradas principais, J e K, e duas saídas, Q e Q̅.Ele também inclui uma entrada de clock (CLK) com um indicador de borda que mostra se ele responde à borda ascendente ou descendente do sinal de clock.Algumas versões incluem opcional Predefinição (PRE/SET) e Limpar (CLR/R) entradas para controle assíncrono, permitindo que a saída seja configurada ou redefinida instantaneamente, independente do relógio.
Um triângulo na entrada do relógio (CLK) indica um flip-flop acionado por borda positiva, o que significa que ele é atualizado quando o sinal do relógio transita de 0 a 1.Um triângulo com uma bolha representa um flip-flop acionado por borda negativa, que é atualizado quando o sinal do relógio passa de 1 a 0.A bolha na entrada Preset (PRE) ou Clear (CLR) mostra que a entrada está ativo baixo.Para interpretar o símbolo corretamente, primeiro identifique o marcador da borda do clock, depois verifique as entradas PRE e CLR e, finalmente, relacione as entradas J e K com a tabela verdade para a operação correta.

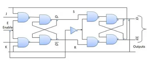
Figura 4. Diagrama de circuito do flip-flop JK mestre-escravo
Um flip-flop JK acionado por pulso é um íon v ariat do flip-flop JK padrão que atualiza sua saída somente após um pulso de relógio completo.Ele usa a configuração mestre-escravo para eliminar o problema de corrida, garantindo transições de saída estáveis e previsíveis.
Um flip-flop JK acionado por pulso consiste em duas travas conectadas em série:
• O mestre trava captura valores de entrada (J e K) quando o relógio (CLK) é alto.
• O escravo trava atualiza a saída final (Q) quando o relógio fica baixo.
Essa sequência garante que ocorra apenas uma alteração de saída por pulso de clock completo, tornando o circuito mais estável e confiável.

Figura 5. Diagrama de temporização de um acionado por pulso (mestre-escravo)
Aqui está o que acontece passo a passo:
• Borda ascendente (0 → 1): A trava mestre fica ativa.Ele lê as entradas J e K e atualiza seu estado interno de acordo.
• Clock High: Enquanto o clock permanece alto, a trava escrava permanece inativa, mantendo o estado de saída anterior.
• Falling Edge (1 → 0): A inversão do clock ativa o latch escravo, transferindo o estado armazenado do mestre para a saída Q.
A saída muda somente após um ciclo de clock completo (0 → 1 → 0).Esse comportamento controlado dá nome ao circuito: flip-flop JK acionado por pulso.
|
Relógio
Pulso |
J. |
K |
Próximo
P |
Operação |
|
0 ou 1 (sem pulso completo) |
X |
X |
P |
Sem alteração |
|
0 → 1 → 0 |
0 |
0 |
P |
Memória (Espera) |
|
0 → 1 → 0 |
1 |
0 |
1 |
Definir |
|
0 → 1 → 0 |
0 |
1 |
0 |
Reiniciar |
|
0 → 1 → 0 |
1 |
1 |
Q̅ |
Alternar |
Cada ação ocorre apenas uma vez por pulso de clock completo, evitando múltiplas alternâncias durante um único período de clock.
O flip-flop JK mestre-escravo oferece operação estável e confiável, evitando o problema de corrida - sua saída muda apenas uma vez por pulso de clock, mesmo quando ambas as entradas estão altas.Ao separar a captura de entrada e a atualização de saída, evita falhas e garante temporização precisa, tornando-o ideal para contadores e circuitos de controle.Para funcionar corretamente, as entradas (J e K) devem permanecer estáveis em torno da borda do clock, o pulso do clock deve ter a largura correta e o atraso de propagação através de ambas as travas deve ser gerenciado para manter a velocidade e a estabilidade.

Figura 6. Flip-flop JK acionado por borda
Um flip-flop JK acionado por borda é um tipo de circuito digital que altera sua saída apenas em uma transição de clock específica, conhecida como borda.Ao contrário do flip-flop JK mestre-escravo, que requer um pulso de clock completo (0→1→0) para atualizar, a versão acionada por borda reage instantaneamente a uma única transição de clock, seja uma borda ascendente (↑) ou uma borda descendente (↓).Este projeto melhora a precisão do tempo e elimina o problema de corrida encontrado em circuitos acionados por nível.

Figura 7. Operação de um flip-flop JK acionado por borda
Em um flip-flop JK acionado por borda, as entradas J e K são amostradas apenas no momento da transição do clock.Uma vez que essa borda ocorre, o flip-flop atualiza sua saída (Q) com base na combinação atual de entrada.Entre as arestas, a saída permanece estável e não é afetada por alterações em J ou K.
Os flip-flops acionados por borda ascendente respondem quando o clock vai de baixo para alto (0→1), enquanto os acionados por borda descendente respondem quando o clock vai de alto para baixo (1→0).
Essa temporização precisa garante desempenho confiável em circuitos síncronos, como contadores, registradores e divisores de frequência.
|
Relógio
Borda |
J. |
K |
Próximo
P |
Descrição |
|
Sem borda ascendente |
X |
X |
P |
Sem alteração |
|
↑ (0 → 1) |
0 |
0 |
P |
Esperar (memória) |
|
↑ (0 → 1) |
1 |
0 |
1 |
Definir |
|
↑ (0 → 1) |
0 |
1 |
0 |
Reiniciar |
|
↑ (0 → 1) |
1 |
1 |
Q̅ |
Alternar |
A saída muda apenas na transição do clock, garantindo que Q seja atualizado uma vez por transição.Este comportamento torna o flip-flop JK ideal para sistemas digitais sensíveis ao tempo.
Um flip-flop JK acionado por borda pode ser feito usando um flip-flop D de borda ascendente, junto com portas NAND e NOT.O sinal é aplicado ao flip-flop D para produzir um comportamento JK que é atualizado apenas na borda ascendente do clock.Essa configuração evita problemas de corrida, fornece saída estável e consistente, simplifica o controle de temporização e é amplamente utilizada em circuitos integrados e simulações digitais para desempenho confiável.
|
CI |
Sandálias de dedo
por ficha |
Acionar
Tipo |
Especial
Entradas |
Tecnologia |
Típico
Fornecer |
|
CD4027 |
2 |
Borda positiva |
Definir, redefinir |
CMOS |
3V–15V |
|
74HC73 |
2 |
Borda negativa |
Claro |
CMOS |
2V–6V |
|
74LS73 |
2 |
Borda negativa |
Claro |
TTL |
5V |
|
74HC112 |
2 |
Borda negativa |
Predefinido, Limpar |
CMOS |
2V–6V |
Combine a tensão de alimentação e a família lógica com o resto do seu circuito para garantir compatibilidade e operação estável.Decida se você precisa de um dispositivo acionado por borda ascendente ou descendente com base em como o sinal do relógio foi projetado.Considere se sua aplicação requer apenas uma entrada de reinicialização ou funções predefinidas e limpas para uma inicialização adequada.Finalmente, sempre verifique as especificações de tempo de configuração, tempo de espera e atraso de propagação para ter certeza de que o flip-flop pode lidar com a frequência de clock pretendida do seu circuito.
• Contadores e divisores de frequência: defina J = K = 1 para alternar e encadear estágios para contagem mod-N.
• Registradores de deslocamento e conversão de dados: movimento de bits serial para paralelo e paralelo para serial.
• Registradores e pequena memória: elementos simples de armazenamento de flags e dados de controle.
• Máquinas de estado e lógica de controle: comportamento previsível de configuração, reinicialização, retenção e alternância para sequenciadores.
Operação versátil em um dispositivo: definir, redefinir, segurar, alternar
Modo de alternância natural para divisão por 2 e contagem
Disponível com preset assíncrono e clear
Modelo educacional claro para lógica sequencial
Mais lógica interna do que um flip-flop D, o que aumenta a área e o atraso
Versões sensíveis ao nível podem correr quando J = K = 1 e o clock estiver alto
Sensível ao tempo se a configuração, retenção ou largura de pulso forem violadas
O flip-flop JK é uma parte importante do design digital porque é flexível e confiável.Pode funcionar como memória, contador ou divisor de frequência em um circuito.Saber como cada tipo funciona e gerenciar o tempo corretamente ajuda a construir um sistema estável e eficiente.
SOBRE NóS
Satisfação do cliente sempre.Confiança mútua e interesses comuns.
Noções básicas sobre bombas: princípios básicos, tipos, especificações e problemas comuns
2025-10-17
O que é um fotodiodo: princípios de funcionamento, modos, vantagens e aplicações
2025-10-17
É chamado de universal porque pode desempenhar as funções de outros flip-flops como os tipos SR, D e T, alterando a lógica de entrada condições.
Quando J e K são ambos 0, o flip-flop JK mantém sua saída anterior estado.Nenhuma mudança ocorre até que as entradas ou o sinal do relógio mudem.
Conectando as entradas J e K juntas e configurando-as para lógica 1, o flip-flop JK alterna sua saída a cada pulso de clock, funcionando como um flip-flop T.
O atraso de propagação é o curto tempo que leva para a saída (Q) mudar após o relógio ou a entrada mudar.Limita a velocidade máxima de operação em circuitos digitais.
Não diretamente, mas suas funções são frequentemente incorporadas registros e temporizadores do microcontrolador.No design de hardware, JK externo flip-flops são usados em aplicações de temporização ou contagem baseadas em lógica.
Os flip-flops JK são normalmente construídos usando portas NAND ou NOR dispostas em torno de uma trava SR, com loops de feedback que permitem alternar quando ambos J e K são altos.
Aplique um sinal de clock conhecido e varie as entradas J e K.Observe o saída usando LEDs ou um osciloscópio para confirmar definir, redefinir, manter e alternar operações.
O email: Info@ariat-tech.comHK TEL: +852 30501966ADICIONAR: Rm 2703 27F Ho King Comm Center 2-16,
Fa Yuen St MongKok Kowloon, Hong Kong.